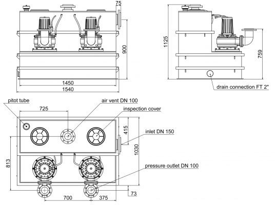
Sanicubic 2 SC

0.01 incl. Vat

CALL / EMAIL FOR PRICING

Three Phase / 4 Motor Strengths / 10M to 22M Head Options – 80mm to 100mm passage