The Zehnder WUZ 100 is a lifting station with 1 IP68 certified motor, equipped with a high performance single channel cutting blade.
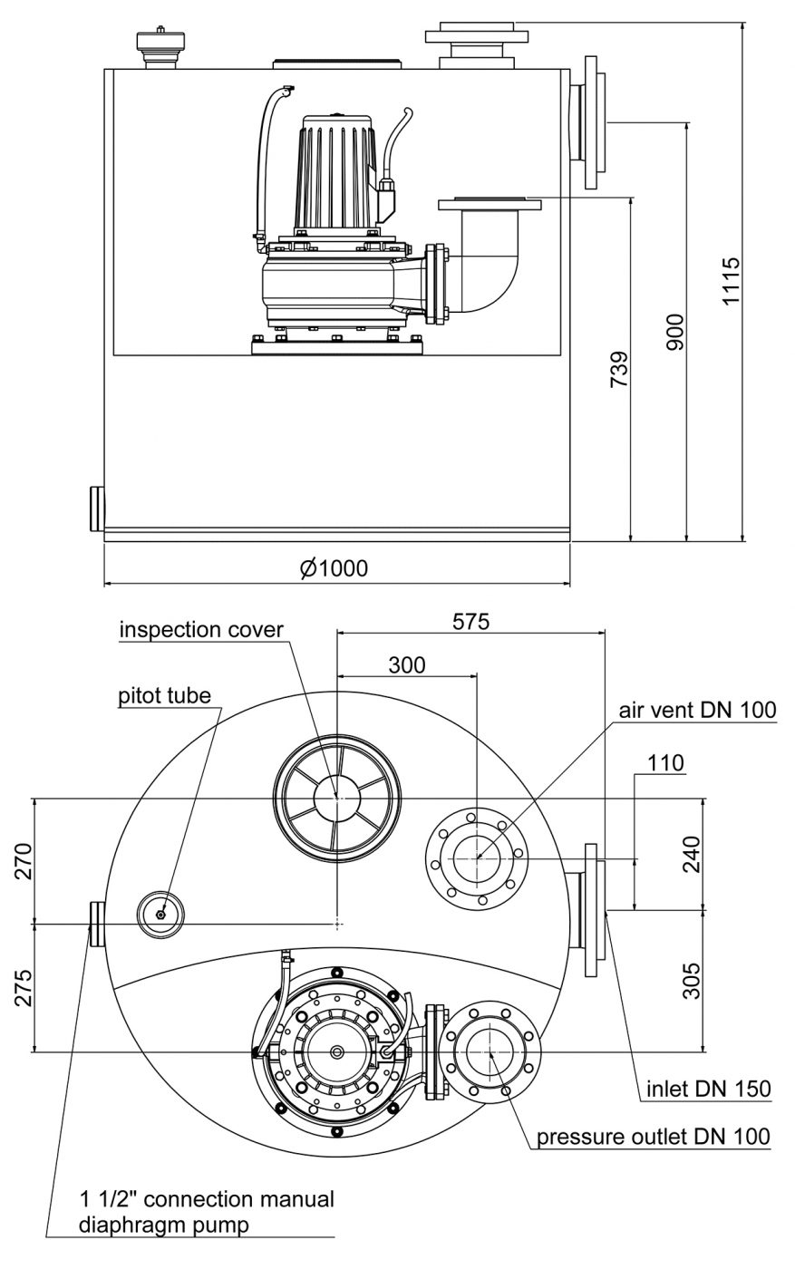
The Zehnder WUZ 100 is available in 4 versions for 4 high volume lifting performances. It has a DN 150 entrance to raise large volumes of wastewater.
The station comes with a remote control box as well as audible and visual alarms.
The Zehnder WUZ 100 is a new unit in the range with one motor macerator or vortex pump. The motors are available in 4kw, 5.5kw, 6.3kw or 8.7kw sizes. It is designed for commercial use in heavy-demand applications, as it can handle from 120 to 165 cubic metres per hour. It includes five inlets, allowing connection of several toilets/wash basins/appliances/etc.
The Zehnder WUZ 100 is easy to install as it stands on the floor and therefore no excavation is needed to place it below ground. It comes with a hard-wired alarm on an externally mounted control box, plus a secondary hard-wired audio/visual alarm with five metre cable, so it can be placed remotely.
Why choose Zehnder WUZ 100 ?
- Ideal for demanding commercial situations
- Large tank volume (480L)
- Large bore vortex pump which can pump away waste without the need to macerate
- Easy to install – no need to excavate
- Two hard-wired alarms and remote management box for ultimate safety
- Can be connected to Building Management System
- Working temperature of 55ºC
- Discharge through 100mm pipework
- Will handle temperatures up to 70ºC for short periods (See Sanicom 1 and Sanicom 2 for higher temperatures and longer periods)
- IP68 rated
- 5 Year Extended Manufacturers Guarantee
Available Accessories*
- Saniflo Descaler – For trouble-free maintenance
The Zehnder WUZ 100 along with all of our Saniflo Systems and Kinedo Shower and Bath Solutions can be bought online with the reassurance of dealing with Ireland’s official Saniflo and Kinedo agent.
As well as supplying the superb Saniflo and Kinedo ranges at great prices online in Ireland, we also provide:
- Free Nationwide Delivery
- Same Day Dispatch
- Free Saniflo Advice
- All products in stock
- Saniflo Installation
- Saniflo Service
- Saniflo Repair









